連接件模型
Connector Model
Connector Model
聯系APAS / Contact us
- 地址:天津市西青經濟技術開發區賽達國際工業城A3-2.
- 郵箱:lxc@apas.com.cn
- 電話:022-87920088
- 傳真:請聯系網絡管理員
- 郵編:300385
- 咨詢熱線:13702119190(24小時服務熱線)
連接件模型
/ Connector Model

2020鋁型材90度鑄鋁角件
產品描述 / Name
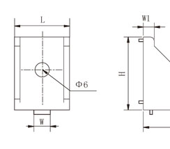
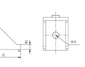
CE-SB2020-6規格鑄鋁角件屬于2020鋁型材專用90度緊固連接件,適用于兩根鋁型材的直角連接或移動位置的型材連接,需要搭配專用緊固螺栓及螺母進行快速組裝;
022-87920099
可以根據需求進行設計加工,提供上門安裝服務;可以根據特殊需求進行鋁型材開模定制。
* 免費提供工業鋁型材選型手冊 →點擊咨詢
內容來源:http://m.foursun.com.cn 作者:武將 發布日期:2019年09月19日 14時01分 閱讀次數:5693 次
| 用途:2020-6和2028-6鑄鋁角件主要應用于兩根2020鋁型材的直角連接加強被連接型材點的支撐能力,也可以用作需要移動位置的鋁型材連接方式; |
| ? |
![]() ![]()
|
| ? |
| 2020-6和2028-6規格鑄鋁角件屬于鋁型材專用直角連接件,與型材接觸面帶有防轉卡槽,可以防止角件受外力影響產生偏轉現象; |
| ? |
|
槽型
|
L(mm)
|
W(mm)
|
W1(mm)
|
H(mm)
|
材質
|
訂貨編號
|
|
P6
|
17
|
5.4
|
3
|
20
|
鑄鋁
|
CE-SB2020-6
|
|
P8
|
20
|
5.8
|
6
|
28
|
鑄鋁
|
CE-SB2028-6
|
?
聯系APAS/ Contact us
天津艾普斯工業鋁型材股份有限公司
聯系電話:022-87920088
企業傳真:(避免惡意廣告)請聯系該企業網絡管理員
服務熱線:13702119190 (24小時服務熱線)
Q Q:534973906
企業郵箱: lxc@apas.com.cn
企業地址:天津市西青經濟技術開發區賽達國際工業城A3-2
聯系電話:022-87920088
企業傳真:(避免惡意廣告)請聯系該企業網絡管理員
服務熱線:13702119190 (24小時服務熱線)
Q Q:534973906
企業郵箱: lxc@apas.com.cn
企業地址:天津市西青經濟技術開發區賽達國際工業城A3-2
采購意向留言:* 為必填















QQ咨詢
電話聯系
聯系電話

在線留言
樣冊下載
