連接件模型
Connector Model
Connector Model
聯系APAS / Contact us
- 地址:天津市西青經濟技術開發區賽達國際工業城A3-2.
- 郵箱:lxc@apas.com.cn
- 電話:022-87920088
- 傳真:請聯系網絡管理員
- 郵編:300385
- 咨詢熱線:13702119190(24小時服務熱線)
連接件模型
/ Connector Model

40系列鋁型材快速連接件3D模型
產品描述 / Name
40系列鋁型材快速連接件是較為常用的高強度連接配件,主要適用于高強度工業鋁型材框架結構的設計組裝,設計師可以下載連接件三維模型進行框架結構的設計;
022-87920099
可以根據需求進行設計加工,提供上門安裝服務;可以根據特殊需求進行鋁型材開模定制。
* 免費提供工業鋁型材選型手冊 →點擊咨詢
內容來源:http://m.foursun.com.cn 作者:武將 發布日期:2020年03月18日 10時47分 閱讀次數:2188 次
| 快速連接件是一款應用起來非常便捷的工業鋁型材連接配件,使用時只需要對鋁型材進行螺紋孔加工處理,即可利用該連接件實現快速組裝; |
![]() ![]()
|
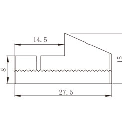
| 40系列鋁型材快速連接件屬于實用型緊固連接配件,主要適用于高強度工業鋁型材框架的連接組裝;快速連接配件分為三部分,分別為固定滑塊,緊固螺栓以及頂絲;40系列鋁型材快速連接件適用于40系列槽8型材,不可用于其他系列或槽型的鋁型材組裝連接; |
|
槽型規格
|
鋁型材規格
|
材質
|
訂貨編號
|
|
槽8
|
40系列
|
碳鋼(鍍鋅或鍍鎳)
|
CE-MC40-8
|
聯系APAS/ Contact us
天津艾普斯工業鋁型材股份有限公司
聯系電話:022-87920088
企業傳真:(避免惡意廣告)請聯系該企業網絡管理員
服務熱線:13702119190 (24小時服務熱線)
Q Q:534973906
企業郵箱: lxc@apas.com.cn
企業地址:天津市西青經濟技術開發區賽達國際工業城A3-2
聯系電話:022-87920088
企業傳真:(避免惡意廣告)請聯系該企業網絡管理員
服務熱線:13702119190 (24小時服務熱線)
Q Q:534973906
企業郵箱: lxc@apas.com.cn
企業地址:天津市西青經濟技術開發區賽達國際工業城A3-2
采購意向留言:* 為必填















QQ咨詢
電話聯系
聯系電話

在線留言
樣冊下載
