連接件模型
Connector Model
Connector Model
聯系APAS / Contact us
- 地址:天津市西青經濟技術開發區賽達國際工業城A3-2.
- 郵箱:lxc@apas.com.cn
- 電話:022-87920088
- 傳真:請聯系網絡管理員
- 郵編:300385
- 咨詢熱線:13702119190(24小時服務熱線)
連接件模型
/ Connector Model

45系列鋁型材雙槽角件3d(數模)模型
產品描述 / Name
45系列鋁型材雙槽角碼適用于雙槽結構如4590或9090等規格鋁型材直角連接,起固定支撐作用,可以下載型材角碼SLDWORKS三維模型進行框架結構的設計組裝;
022-87920099
可以根據需求進行設計加工,提供上門安裝服務;可以根據特殊需求進行鋁型材開模定制。
* 免費提供工業鋁型材選型手冊 →點擊咨詢
內容來源:http://m.foursun.com.cn 作者:武將 發布日期:2020年03月27日 12時59分 閱讀次數:2337 次
|
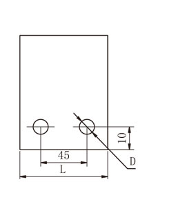
45系列鋁型材雙槽角件主要適用于45系列雙槽結構型材(4590、9090規格等)的直角連接,起固定支撐作用;型材角件兩側有攻絲孔,可以進行攻絲加工處理,用原裝端面封板,起防塵作用; |
![]() ![]()
|
| 鋁型材雙槽角件是較為常用的連接配件產品,其靈活性很強,屬于定制產品;雙槽型材角件最大長度為6m,可以根據使用需求進行規格定制,兩側有孔位標線,用于打孔加工處理; |
|
適用型材
|
L(mm)
|
D(mm)
|
M
|
材料
|
訂貨編號
|
|
90*
|
86
|
φ8.5
|
M5
|
6063-T5
|
CE-L5050-4586
|
聯系APAS/ Contact us
天津艾普斯工業鋁型材股份有限公司
聯系電話:022-87920088
企業傳真:(避免惡意廣告)請聯系該企業網絡管理員
服務熱線:13702119190 (24小時服務熱線)
Q Q:534973906
企業郵箱: lxc@apas.com.cn
企業地址:天津市西青經濟技術開發區賽達國際工業城A3-2
聯系電話:022-87920088
企業傳真:(避免惡意廣告)請聯系該企業網絡管理員
服務熱線:13702119190 (24小時服務熱線)
Q Q:534973906
企業郵箱: lxc@apas.com.cn
企業地址:天津市西青經濟技術開發區賽達國際工業城A3-2
采購意向留言:* 為必填



.jpg)









-05精益管工作臺主圖.jpg)
QQ咨詢
電話聯系
聯系電話

在線留言
樣冊下載
