連接件模型
Connector Model
Connector Model
聯系APAS / Contact us
- 地址:天津市西青經濟技術開發區賽達國際工業城A3-2.
- 郵箱:lxc@apas.com.cn
- 電話:022-87920088
- 傳真:請聯系網絡管理員
- 郵編:300385
- 咨詢熱線:13702119190(24小時服務熱線)
連接件模型
/ Connector Model

30系列(雙槽)鋁型材強力角碼3d模型
產品描述 / Name
30系列(雙槽)鋁型材強力角碼適用于振動或移動環境中所應用鋁型材框架組裝連接,連接強度高、不容易松動,可以下載強力角碼SLDWORKS三維模型進行鋁型材框架設計組裝;
022-87920099
可以根據需求進行設計加工,提供上門安裝服務;可以根據特殊需求進行鋁型材開模定制。
* 免費提供工業鋁型材選型手冊 →點擊咨詢
內容來源:http://m.foursun.com.cn 作者:武將 發布日期:2020年04月15日 10時25分 閱讀次數:5206 次
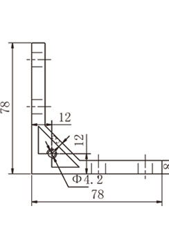
| 該規格鋁型材強力角碼適用于30系列(雙槽)鋁型材3060、6060框架之間90度直角連接,起固定支撐作用;強力角碼增加了固定裝配點,大幅度增加了型材角碼的連接強度,不容易松動,適可于振動或移動環境中鋁型材框架的設計組裝; |
![]() ![]()
|
| 鋁型材(雙槽)強力角碼為6063-T5系列延壓鋁型材材料,相對于鑄鋁角碼相比,物理強度相對較低,但產品韌性較高,不容易炸裂;鋁型材強力角碼裝配時通常與T型螺栓及法蘭螺母配合使用,兩側有攻絲孔,可以用于端面封板的組裝; |
|
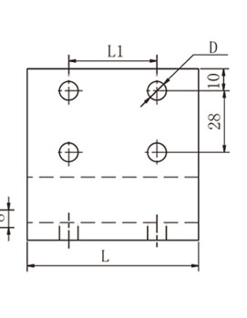
適用型材規格
|
L(mm)
|
L1(mm)
|
D(mm)
|
材質
|
訂貨編號
|
|
槽6
|
56
|
30
|
φ6.5/φ8.5
|
6063-T5
|
CE-L7878-3056
|
聯系APAS/ Contact us
天津艾普斯工業鋁型材股份有限公司
聯系電話:022-87920088
企業傳真:(避免惡意廣告)請聯系該企業網絡管理員
服務熱線:13702119190 (24小時服務熱線)
Q Q:534973906
企業郵箱: lxc@apas.com.cn
企業地址:天津市西青經濟技術開發區賽達國際工業城A3-2
聯系電話:022-87920088
企業傳真:(避免惡意廣告)請聯系該企業網絡管理員
服務熱線:13702119190 (24小時服務熱線)
Q Q:534973906
企業郵箱: lxc@apas.com.cn
企業地址:天津市西青經濟技術開發區賽達國際工業城A3-2
采購意向留言:* 為必填















QQ咨詢
電話聯系
聯系電話

在線留言
樣冊下載
