鋁型材配件
Product accessories
Product accessories
聯系APAS / Contact us
- 地址:天津市西青經濟技術開發區賽達國際工業城A3-2.
- 郵箱:lxc@apas.com.cn
- 電話:022-87920088
- 傳真:請聯系網絡管理員
- 郵編:300385
- 咨詢熱線:13702119190(24小時服務熱線)
圍欄/隔斷系統 / Security fence
產品名稱 / Name
鋁型材間隔連接塊
產品描述 / Describe
間隔連接塊是根據鋁型材安全隔斷圍欄或防護罩設計組裝需求而開發出的一種工業鋁型材與有機玻璃板(鋁塑板、PC板)快速組裝連接配件,只需要借助相應規格緊固件即可實現板材與型材之間快速連接;
022-87920088
可以根據需求進行設計加工,提供上門安裝服務;可以根據特殊需求進行鋁型材開模定制。
* 免費提供工業鋁型材選型手冊 →點擊咨詢
|
|
![]() ![]()
|
|
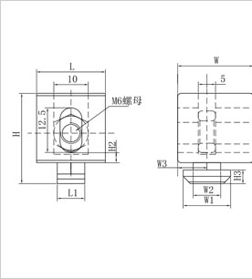
(工業鋁型材專用間隔連接塊二維參數)
|
| ? |
|
型號
|
L(mm)
|
L1(mm)
|
W(mm)
|
W1(mm)
|
W2(mm)
|
W3(mm)
|
H(mm)
|
H1(mm)
|
H2(mm)
|
H3(mm)
|
顏色
|
材質
|
訂貨號
|
|
30
|
20
|
8
|
17
|
13.8
|
8.2
|
7
|
26
|
20
|
4
|
3.8
|
透明
|
PE
|
CE-MB6-8-30
|
|
40
|
18
|
8
|
25
|
15.5
|
8.2
|
10
|
32.5
|
22.5
|
5
|
5.5
|
透明
|
PE
|
CE-MB6-8-40
|
|
45
|
18
|
8.2
|
23
|
16.5
|
9.5
|
-
|
34
|
23
|
5
|
5
|
透明
|
PE
|
CE-MB6-10-45
|
| ? |
|
間隔連接塊主要應用于工業鋁型材與有機玻璃板之間的連接,將連接塊尾端直接插入型材槽坑內,轉動90度后即緊密固定在型材上,然后就可以在鋁型材上安裝有機玻璃等各種面板,再用螺栓鎖緊,安裝便捷,拆卸方便; |
?
聯系APAS/ Contact us
天津艾普斯工業鋁型材股份有限公司
聯系電話:022-87920088
企業傳真:(避免惡意廣告)請聯系該企業網絡管理員
服務熱線:13702119190 (24小時服務熱線)
Q Q:534973906
企業郵箱: lxc@apas.com.cn
企業地址:天津市西青經濟技術開發區賽達國際工業城A3-2
聯系電話:022-87920088
企業傳真:(避免惡意廣告)請聯系該企業網絡管理員
服務熱線:13702119190 (24小時服務熱線)
Q Q:534973906
企業郵箱: lxc@apas.com.cn
企業地址:天津市西青經濟技術開發區賽達國際工業城A3-2
采購意向留言:* 為必填









.jpg)

.jpg)



QQ咨詢
電話聯系
聯系電話

在線留言
樣冊下載
