工業鋁型材
Aluminum profile
Aluminum profile
聯系APAS / Contact us
- 地址:天津市西青經濟技術開發區賽達國際工業城A3-2.
- 郵箱:lxc@apas.com.cn
- 電話:022-87920088
- 傳真:請聯系網絡管理員
- 郵編:300385
- 咨詢熱線:13702119190(24小時服務熱線)
20系列鋁型材 / Aluminum profile
產品名稱 / Name
2020-2N180工業鋁型材
產品描述 / Describe
2020-2N180鋁型材屬于輕型框架材料,適用于承重能力較低的框架組裝;20規格鋁型材每米重量為0.51kg,壁厚為1.5mm,表面噴砂-陽極氧化處理,呈銀白色(磨砂效果),具體參數可以參考2020-2N180鋁型材產品介紹;
022-87920088
可以根據需求進行設計加工,提供上門安裝服務;可以根據特殊需求進行鋁型材開模定制。
* 免費提供工業鋁型材選型手冊 →點擊咨詢
|
|
| 2020工業鋁型材適用于組裝一些輕型框架產品,例如小型護罩、支架等,由于2020標準型材四面有凹槽設計,組裝后框架表面的凹槽非常不利于清理,也不美觀,所以在其基礎上開發出了2020-2N180鋁型材,型材只有對立的兩側有凹槽設計,可以用于框架組裝,組裝完成后框架內側和外側沒有凹槽,整體效果非常平整; |
![]() ![]()
|
|
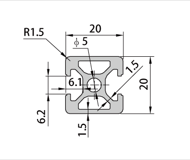
2020-2N180工業鋁型材截面圖(二維參數)
|
|
規格型號
|
材質
|
單位重量
|
慣性矩
|
慣性矩
|
彎矩
|
彎矩
|
訂貨編號
|
|
Profile
|
Material
|
Weight
|
Ix(cm4)
|
Iy(cm4)
|
Wx(cm3)
|
Wy(cm3)
|
Order NO.
|
|
20×20-2N180
|
鋁AL(6063-T5)
|
0.51kg/m
|
0.867
|
0.718
|
0.867
|
0.718
|
APAS-P6-2020-2N180
|
| 鋁型材應用: |
| 2020-2N180工業鋁型材只有對立兩側有安裝用凹槽設計,所以比較適用于框架中間部位的結構安裝,上下凹槽可以配合連接件完成框架組裝,內側和外側保持平整的安裝效果; |
| 2020-2N180鋁型材屬于20系列標準型材,槽寬為6.2mm,可以搭配專用連接件完成安裝,型材中心孔尺寸為6.1mm,適合攻絲尺寸為M8;采用2020-2N180鋁型材組裝框架建議采用內置(打孔穿釘)連接方式,盡量不要使用角碼連接,避免出現太多棱角,從而失去型材的優勢; |
聯系APAS/ Contact us
天津艾普斯工業鋁型材股份有限公司
聯系電話:022-87920088
企業傳真:(避免惡意廣告)請聯系該企業網絡管理員
服務熱線:13702119190 (24小時服務熱線)
Q Q:534973906
企業郵箱: lxc@apas.com.cn
企業地址:天津市西青經濟技術開發區賽達國際工業城A3-2
聯系電話:022-87920088
企業傳真:(避免惡意廣告)請聯系該企業網絡管理員
服務熱線:13702119190 (24小時服務熱線)
Q Q:534973906
企業郵箱: lxc@apas.com.cn
企業地址:天津市西青經濟技術開發區賽達國際工業城A3-2
采購意向留言:* 為必填











.jpg)

.jpg)

QQ咨詢
電話聯系
聯系電話

在線留言
樣冊下載
